Zavolejte nám
724 618 108
Napište nám
eshop@emas.cz
Obecné kontakty
Zobrazit
Sociální sítě
facebook instagram
Změna zobrazení produktů

Měřicí převodník teploty MINI MCR-SL-PT100-UI-200-NC PHOENIX CONTACT 2864370

Dostupnost EMAS:
na objednávku
Zobrazit dostupnost na prodejnách
Původně:
6 328,64 Kč
Cena po registraci:
5 650,58 Kč/ks
Po registraci bez DPH:
4 669,90 Kč
Vaše cena s DPH:
5 885,63 Kč/ks
Vaše cena bez DPH:
4 864,16 Kč/ks
ks
Máte IČ? Získejte ještě výhodnější ceny!

Obecné parametry

Značka:
Phoenix Contact
Kód zboží:
ELOSOS1715555
Kód dodavatele:
2864370
EAN:
4046356046480
Standardní balení:
1 ks
Recyklační poplatek:
0,06 Kč

Technické parametry

EMC verze:
ano
Hmotnost:
0,05857 kg
Měřicí rozsah:
-50-200 °C
Modulární typ:
ano
Teplota okolí:
65-20 °C

Měřicí převodník teploty MINI MCR-SL-PT100-UI-200-NC PHOENIX CONTACT 2864370

MINI MCR-SL-PT100-UI-200-NC najdete v kategoriích Spínací a jistící přístroje, Senzory, snímače, Rozvodnice, výkonové spínací a jistící prvky, výrobce Phoenix Contact, EAN 4046356046480, kód dodavatele 2864370. Měřicí převodník teploty MINI MCR-SL-PT100-UI-200-NC PHOENIX CONTACT 2864370 nabízíme od 1 ks. Kód EMAS MINI MCR-SL-PT100-UI-200-NC je ELOSOS1715555.


Interní název produktu

MINI MCR-SL-PT100-UI-200-NC


Podrobný popis produktu

MINI MCR-SL-PT100-UI-200-NC

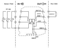
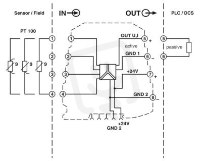
Měřicí převodník teploty

Převodník pro měření teploty MCR, nastavitelný, pro snímače teploty Pt 100, se šroubovými svorkami, bez konfigurace

V porovnávači máte 0 produktů.

Zobrazit porovnání Odebrat vše