Zavolejte nám
724 618 108
Napište nám
eshop@emas.cz
Obecné kontakty
Zobrazit
Sociální sítě
facebook instagram
Změna zobrazení produktů

Modul podstavce VIP/S/MC/BASE 9-16/L/C/EX PHOENIX CONTACT 2907187

Dostupnost EMAS:
na objednávku
Zobrazit dostupnost na prodejnách
Původně:
6 521,50 Kč
Cena po registraci:
5 822,79 Kč/ks
Po registraci bez DPH:
4 812,22 Kč
Vaše cena s DPH:
6 065,00 Kč/ks
Vaše cena bez DPH:
5 012,40 Kč/ks
ks
Máte IČ? Získejte ještě výhodnější ceny!

Obecné parametry

Značka:
Phoenix Contact
Kód zboží:
ELOSOS1717190
Kód dodavatele:
2907187
EAN:
4055626239507
Standardní balení:
1 ks
Recyklační poplatek:
0,10 Kč

Technické parametry

Hloubka:
72,2 mm
Jmenovitý proud:
15 A
Počet pólů:
9
Šířka:
118,1 mm
Výška:
102,7 mm
Způsob montáže:
lišta DIN 35 mm

Modul podstavce VIP/S/MC/BASE 9-16/L/C/EX PHOENIX CONTACT 2907187

VIP/S/MC/BASE 9-16/L/C/EX najdete v kategoriích Programovatelné řízení PLC, Moduly, Moduly rozhraní, Rozvodnice, výkonové spínací a jistící prvky, výrobce Phoenix Contact, EAN 4055626239507, kód dodavatele 2907187. Modul podstavce VIP/S/MC/BASE 9-16/L/C/EX PHOENIX CONTACT 2907187 nabízíme od 1 ks. Kód EMAS VIP/S/MC/BASE 9-16/L/C/EX je ELOSOS1717190.


Interní název produktu

VIP/S/MC/BASE 9-16/L/C/EX


Podrobný popis produktu

VIP/S/MC/BASE 9-16/L/C/EX

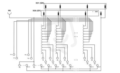
Modul podstavce

Předávací modul, přípojka 1: Šroubové připojení, přípojka 2: Výměnné šroubové připojení 2x 9-pólový, počet kanálů: 8

V porovnávači máte 0 produktů.

Zobrazit porovnání Odebrat vše