Zavolejte nám
724 618 108
Napište nám
eshop@emas.cz
Obecné kontakty
Zobrazit
Sociální sítě
facebook instagram
Změna zobrazení produktů

Pasivní modul UM-FLK10/PI/FU/ROC800 PHOENIX CONTACT 2905962

Dostupnost EMAS:
na objednávku
Zobrazit dostupnost na prodejnách
Původně:
4 160,74 Kč
Cena po registraci:
3 714,97 Kč/ks
Po registraci bez DPH:
3 070,22 Kč
Vaše cena s DPH:
3 869,51 Kč/ks
Vaše cena bez DPH:
3 197,94 Kč/ks
ks
Máte IČ? Získejte ještě výhodnější ceny!

Obecné parametry

Značka:
Phoenix Contact
Kód zboží:
ELOSOS1716917
Kód dodavatele:
2905962
EAN:
4055626047485
Standardní balení:
1 ks
Recyklační poplatek:
0,16 Kč

Technické parametry

Hloubka:
78,9 mm
Jmenovité napětí:
24 V
Jmenovitý proud:
0,2 A
Počet pólů:
12
Šířka:
54 mm
Výška:
92,3 mm
Způsob montáže:
lišta DIN 35 mm

Pasivní modul UM-FLK10/PI/FU/ROC800 PHOENIX CONTACT 2905962

UM-FLK10/PI/FU/ROC800 najdete v kategoriích Programovatelné řízení PLC, Moduly, Moduly rozhraní, Rozvodnice, výkonové spínací a jistící prvky, výrobce Phoenix Contact, EAN 4055626047485, kód dodavatele 2905962. Pasivní modul UM-FLK10/PI/FU/ROC800 PHOENIX CONTACT 2905962 nabízíme od 1 ks. Kód EMAS UM-FLK10/PI/FU/ROC800 je ELOSOS1716917.


Interní název produktu

UM-FLK10/PI/FU/ROC800


Podrobný popis produktu

UM-FLK10/PI/FU/ROC800

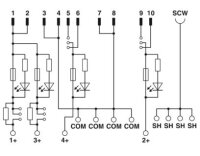
Pasivní modul

Bezpečnostní modul, přípojka 1: Šroubové připojení 6-pólový, přípojka 2: IDC/FLK lišta s trny 1x 10-pólový, počet kanálů: 4

V porovnávači máte 0 produktů.

Zobrazit porovnání Odebrat vše