Zavolejte nám
724 618 108
Napište nám
eshop@emas.cz
Obecné kontakty
Zobrazit
Sociální sítě
facebook instagram
Změna zobrazení produktů

Pasivní modul UM-FLK10/AI/FU/ROC800 PHOENIX CONTACT 2905935

Dostupnost EMAS:
na objednávku
Zobrazit dostupnost na prodejnách
Původně:
5 124,35 Kč
Cena po registraci:
4 575,34 Kč/ks
Po registraci bez DPH:
3 781,27 Kč
Vaše cena s DPH:
4 765,66 Kč/ks
Vaše cena bez DPH:
3 938,56 Kč/ks
ks
Máte IČ? Získejte ještě výhodnější ceny!

Obecné parametry

Značka:
Phoenix Contact
Kód zboží:
ELOSOS1716913
Kód dodavatele:
2905935
EAN:
4055626047447
Standardní balení:
1 ks
Recyklační poplatek:
0,18 Kč

Technické parametry

Hloubka:
65,5 mm
Jmenovité napětí:
24 V
Počet pólů:
16
Šířka:
69 mm
Výška:
92,3 mm
Způsob montáže:
lišta DIN 35 mm

Pasivní modul UM-FLK10/AI/FU/ROC800 PHOENIX CONTACT 2905935

UM-FLK10/AI/FU/ROC800 najdete v kategoriích Programovatelné řízení PLC, Moduly, Moduly rozhraní, Rozvodnice, výkonové spínací a jistící prvky, výrobce Phoenix Contact, EAN 4055626047447, kód dodavatele 2905935. Pasivní modul UM-FLK10/AI/FU/ROC800 PHOENIX CONTACT 2905935 nabízíme od 1 ks. Kód EMAS UM-FLK10/AI/FU/ROC800 je ELOSOS1716913.


Interní název produktu

UM-FLK10/AI/FU/ROC800


Podrobný popis produktu

UM-FLK10/AI/FU/ROC800

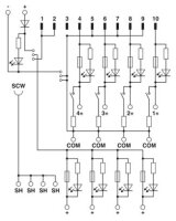
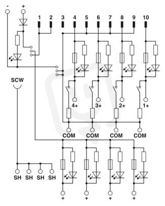
Pasivní modul

Bezpečnostní modul, přípojka 1: Šroubové připojení 16-pólový, přípojka 2: IDC/FLK lišta s trny 1x 10-pólový, počet kanálů: 8

V porovnávači máte 0 produktů.

Zobrazit porovnání Odebrat vše