Zavolejte nám
724 618 108
Napište nám
eshop@emas.cz
Obecné kontakty
Zobrazit
Sociální sítě
facebook instagram
Změna zobrazení produktů

Modul dohledů stringů PV SCK-M-I-8S-20A PHOENIX CONTACT 2903241

Dostupnost EMAS:
na objednávku
Zobrazit dostupnost na prodejnách
Původně:
12 906,63 Kč
Cena po registraci:
11 523,83 Kč/ks
Po registraci bez DPH:
9 523,83 Kč
Vaše cena s DPH:
12 003,20 Kč/ks
Vaše cena bez DPH:
9 920,00 Kč/ks
ks
Máte IČ? Získejte ještě výhodnější ceny!

Obecné parametry

Značka:
Phoenix Contact
Kód zboží:
ELOSOS1716334
Kód dodavatele:
2903241
EAN:
4046356729703
Standardní balení:
1 ks
Recyklační poplatek:
0,42 Kč

Modul dohledů stringů PV SCK-M-I-8S-20A PHOENIX CONTACT 2903241

SCK-M-I-8S-20A najdete v kategoriích Spínací a jistící přístroje, Senzory, snímače, Rozvodnice, výkonové spínací a jistící prvky, výrobce Phoenix Contact, EAN 4046356729703, kód dodavatele 2903241. Modul dohledů stringů PV SCK-M-I-8S-20A PHOENIX CONTACT 2903241 nabízíme od 1 ks. Kód EMAS SCK-M-I-8S-20A je ELOSOS1716334.


Interní název produktu

SCK-M-I-8S-20A


Podrobný popis produktu

SCK-M-I-8S-20A

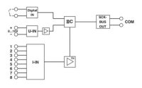
Modul dohledů stringů PV

Měřicí modul SCK pro dohled fotovoltaických zařízení, 8 x měření proudu do 20 A, 1 x digitální vstup, rozhraní ke komunikačnímu modulu SCK, rozhraní k měřicímu modulu napětí

V porovnávači máte 0 produktů.

Zobrazit porovnání Odebrat vše