Zavolejte nám
724 618 108
Napište nám
eshop@emas.cz
Obecné kontakty
Zobrazit
Sociální sítě
facebook instagram
Změna zobrazení produktů

Kabel snímače/akčního členu SAC-3P- 3,0-PUR/A-1L-Z 110V PHOENIX CONTACT 1439667

Dostupnost EMAS:
na objednávku
Zobrazit dostupnost na prodejnách
Původně:
488,88 Kč
Cena po registraci:
436,51 Kč/ks
Po registraci bez DPH:
360,75 Kč
Vaše cena s DPH:
454,66 Kč/ks
Vaše cena bez DPH:
375,75 Kč/ks
ks
Máte IČ? Získejte ještě výhodnější ceny!

Obecné parametry

Značka:
Phoenix Contact
Kód zboží:
ELOSOS1694181
Kód dodavatele:
1439667
EAN:
4046356489607
Standardní balení:
1 ks
Recyklační poplatek:
0,10 Kč

Technické parametry

Barva pláště kabelu:
jiné
Bez halogenů:
ano
Délka kabelu:
3 m
Jmenovité napětí:
110 V
Materiál pláště kabelu:
jiné
Materiál povrchu kontaktu:
jiné
Počet pólů:
3
Přípustná teplota, pevně:
-40-80 °C
Přípustná teplota, v pohybu:
-20-80 °C
S LED indikací:
ano
Stíněný:
ne
Stupeň krytí (IP):
IP65
Typ elek. krabicového připojení:
jiné
Vulkanizované:
ne

Kabel snímače/akčního členu SAC-3P- 3,0-PUR/A-1L-Z 110V PHOENIX CONTACT 1439667

SAC-3P- 3,0-PUR/A-1L-Z 110V najdete v kategoriích Spínací a jistící přístroje, Koncové, polohové spínače, Příslušenství, Rozvodnice, výkonové spínací a jistící prvky, výrobce Phoenix Contact, EAN 4046356489607, kód dodavatele 1439667. Kabel snímače/akčního členu SAC-3P- 3,0-PUR/A-1L-Z 110V PHOENIX CONTACT 1439667 nabízíme od 1 ks. Kód EMAS SAC-3P- 3,0-PUR/A-1L-Z 110V je ELOSOS1694181.


Interní název produktu

SAC-3P- 3,0-PUR/A-1L-Z 110V


Podrobný popis produktu

SAC-3P- 3,0-PUR/A-1L-Z 110V

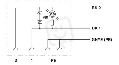
Kabel snímače/akčního členu

Kabel snímače/akčního členu, 3-pólový, PUR bezhalogenové, černošedá RAL 7021, volný konec vodiče, na Ventilový konektor A, s 1 LED, Propojení: dioda Z, délka kabelu: 3 m

V porovnávači máte 0 produktů.

Zobrazit porovnání