Zavolejte nám
724 618 108
Napište nám
eshop@emas.cz
Obecné kontakty
Zobrazit
Sociální sítě
facebook instagram
Změna zobrazení produktů

Kabel snímače/akčního členu SAC-3P-10,0-PUR/A-1L-Z 110V PHOENIX CONTACT 1440685

Dostupnost EMAS:
na objednávku
Zobrazit dostupnost na prodejnách
Původně:
889,33 Kč
Cena po registraci:
794,05 Kč/ks
Po registraci bez DPH:
656,24 Kč
Vaše cena s DPH:
827,08 Kč/ks
Vaše cena bez DPH:
683,54 Kč/ks
ks

Zadávejte násobky 50 ks.

Máte IČ? Získejte ještě výhodnější ceny!

Obecné parametry

Značka:
Phoenix Contact
Kód zboží:
ELOSOS1694231
Kód dodavatele:
1440685
EAN:
4046356505437
Standardní balení:
50 ks
Recyklační poplatek:
0,10 Kč

Technické parametry

Barva pláště kabelu:
jiné
Bez halogenů:
ano
Délka kabelu:
10 m
Jmenovité napětí:
110 V
Materiál pláště kabelu:
jiné
Materiál povrchu kontaktu:
jiné
Počet pólů:
3
Přípustná teplota, pevně:
-40-80 °C
Přípustná teplota, v pohybu:
-20-80 °C
S LED indikací:
ano
Stíněný:
ne
Stupeň krytí (IP):
IP65
Typ elek. krabicového připojení:
jiné
Vulkanizované:
ne

Kabel snímače/akčního členu SAC-3P-10,0-PUR/A-1L-Z 110V PHOENIX CONTACT 1440685

SAC-3P-10,0-PUR/A-1L-Z 110V najdete v kategoriích Spínací a jistící přístroje, Koncové, polohové spínače, Příslušenství, Rozvodnice, výkonové spínací a jistící prvky, výrobce Phoenix Contact, EAN 4046356505437, kód dodavatele 1440685. Kabel snímače/akčního členu SAC-3P-10,0-PUR/A-1L-Z 110V PHOENIX CONTACT 1440685 nabízíme od 50 ks. Kód EMAS SAC-3P-10,0-PUR/A-1L-Z 110V je ELOSOS1694231.


Interní název produktu

SAC-3P-10,0-PUR/A-1L-Z 110V


Podrobný popis produktu

SAC-3P-10,0-PUR/A-1L-Z 110V

Kabel snímače/akčního členu

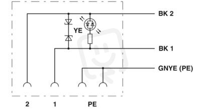
Kabel snímače/akčního členu, 3-pólový, PUR bezhalogenové, černošedá RAL 7021, volný konec vodiče, na Ventilový konektor A, s 1 LED, Propojení: dioda Z, délka kabelu: 10 m

V porovnávači máte 0 produktů.

Zobrazit porovnání