Zavolejte nám
724 618 108
Napište nám
eshop@emas.cz
Obecné kontakty
Zobrazit
Sociální sítě
facebook instagram
Změna zobrazení produktů

Jednotlivá relé REL-IR4/LDP-110DC/4X21AU PHOENIX CONTACT 2903673

Dostupnost EMAS:
na objednávku
Zobrazit dostupnost na prodejnách
Původně:
400,41 Kč
Cena po registraci:
357,52 Kč/ks
Po registraci bez DPH:
295,47 Kč
Vaše cena s DPH:
372,39 Kč/ks
Vaše cena bez DPH:
307,76 Kč/ks
ks

Zadávejte násobky 10 ks.

Máte IČ? Získejte ještě výhodnější ceny!

Obecné parametry

Značka:
Phoenix Contact
Kód zboží:
ELOSOS1716457
Kód dodavatele:
2903673
EAN:
4046356758864
Standardní balení:
10 ks
Recyklační poplatek:
0,03 Kč

Technické parametry

Hloubka:
35,6 mm
Materiál povrchu kontaktu:
zlato
Nominální proud:
0,008 A
Počet přepín. kontaktů:
4
Počet rozpín. kontaktů.:
0
Počet spín. kontaktů.:
0
Řídící napáj. napětí DC:
88-198 V
S LED indikací:
ano
Šířka:
21,2 mm
Stupeň krytí (IP):
jiné
Typ elektrického připojení:
plug-in připojení
Typ ovládacího napětí:
DC
Typ spínacího kontaktu:
jednoduchý kontakt
Výška:
27,5 mm

Jednotlivá relé REL-IR4/LDP-110DC/4X21AU PHOENIX CONTACT 2903673

REL-IR4/LDP-110DC/4X21AU najdete v kategoriích Spínací a jistící přístroje, Relé, Spínací relé, Rozvodnice, výkonové spínací a jistící prvky, výrobce Phoenix Contact, EAN 4046356758864, kód dodavatele 2903673. Jednotlivá relé REL-IR4/LDP-110DC/4X21AU PHOENIX CONTACT 2903673 nabízíme od 10 ks. Kód EMAS REL-IR4/LDP-110DC/4X21AU je ELOSOS1716457.


Interní název produktu

REL-IR4/LDP-110DC/4X21AU


Podrobný popis produktu

REL-IR4/LDP-110DC/4X21AU

Jednotlivá relé

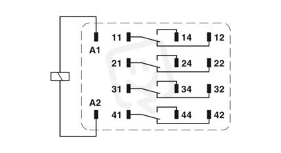
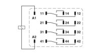
Výměnná průmyslová relé s výkonovými kontakty a s dodatečným tvrdým pozlacením, 4 přepínače, zkušební tlačítko, stavová LED, ochranná dioda, mechanický ukazatel sepnutí, polarita A1+, A2-, ovládací napětí: 110 V DC

V porovnávači máte 0 produktů.

Zobrazit porovnání