Zavolejte nám
724 618 108
Napište nám
eshop@emas.cz
Obecné kontakty
Zobrazit
Sociální sítě
facebook instagram
Změna zobrazení produktů

Měnič DC/DC QUINT4-PS/24-48DC/48DC/2/PT PHOENIX CONTACT 1098676

Dostupnost EMAS:
na objednávku
Zobrazit dostupnost na prodejnách
Původně:
10 680,42 Kč
Cena po registraci:
9 536,19 Kč/ks
Po registraci bez DPH:
7 881,15 Kč
Vaše cena s DPH:
9 932,85 Kč/ks
Vaše cena bez DPH:
8 208,97 Kč/ks
ks
Máte IČ? Získejte ještě výhodnější ceny!

Obecné parametry

Značka:
Phoenix Contact
Kód zboží:
ELOSOS1680934
Kód dodavatele:
1098676
EAN:
4055626944395
Standardní balení:
1 ks
Recyklační poplatek:
0,84 Kč

Technické parametry

1. sekund. výstup. napětí:
48-56 V
Hloubka:
90 mm
Max. výstupní proud 1:
4 A
Modulární typ:
ne
Montáž na lištu:
ano
Napáj. napětí DC:
22-60 V
Nastavitelné sekund. napětí:
ano
Přímá montáž:
ne
Šířka:
45 mm
Stabilizované:
ano
Stabilizované výst. napětí:
ano
Stupeň krytí (IP):
IP20
Stupeň ochrany (NEMA):
jiné
Typ elektrického připojení:
jiné
Typ napájecího napětí:
DC
Vestavná výška:
106 mm
Vhodné pro montáž na stěnu:
ne
Vhodné pro zabezpečení:
ano
Výška:
106 mm
Výstupní napětí 1:
48 V
Výstupní proud 1:
2 A
Výstupní výkon..:
96 W
Zkratová ochrana:
ano

Měnič DC/DC QUINT4-PS/24-48DC/48DC/2/PT PHOENIX CONTACT 1098676

QUINT4-PS/24-48DC/48DC/2/PT najdete v kategoriích Spínací a jistící přístroje, Transformátory, Rozvodnice, výkonové spínací a jistící prvky, Napájecí zdroj (DC), výrobce Phoenix Contact, EAN 4055626944395, kód dodavatele 1098676. Měnič DC/DC QUINT4-PS/24-48DC/48DC/2/PT PHOENIX CONTACT 1098676 nabízíme od 1 ks. Kód EMAS QUINT4-PS/24-48DC/48DC/2/PT je ELOSOS1680934.


Interní název produktu

QUINT4-PS/24-48DC/48DC/2/PT


Podrobný popis produktu

QUINT4-PS/24-48DC/48DC/2/PT

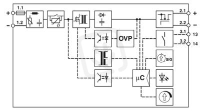
Měnič DC/DC

Primárně taktovaný měnič DC/DC, QUINT POWER, Montáž na nosnou lištu, vstup: 24 V DC - 48 V DC, výstup: 48 V DC 2 A

V porovnávači máte 0 produktů.

Zobrazit porovnání Odebrat vše