Zavolejte nám
724 618 108
Napište nám
eshop@emas.cz
Obecné kontakty
Zobrazit
Sociální sítě
facebook instagram
Změna zobrazení produktů

Bezpečnostní relé PSR-UNI-L-2X2NO-2DO-24DC-PI PHOENIX CONTACT 1487644

Dostupnost EMAS:
na objednávku
Zobrazit dostupnost na prodejnách
Původně:
10 751,04 Kč
Cena po registraci:
9 599,17 Kč/ks
Po registraci bez DPH:
7 933,20 Kč
Vaše cena s DPH:
9 998,48 Kč/ks
Vaše cena bez DPH:
8 263,21 Kč/ks
ks
Máte IČ? Získejte ještě výhodnější ceny!

Obecné parametry

Značka:
Phoenix Contact
Kód zboží:
ELOSOS2020945
Kód dodavatele:
1487644
EAN:
4063151932404
Standardní balení:
1 ks
Recyklační poplatek:
0,20 Kč

Technické parametry

Hloubka:
111,7 mm
Montáž na lištu:
ne
Provedení:
Základní zařízení
Šířka:
22,5 mm
Typ elektrického připojení:
pružinová svorka
Výška:
107,9 mm
Zpožděné uvolnění:
0,1-1 s

Bezpečnostní relé PSR-UNI-L-2X2NO-2DO-24DC-PI PHOENIX CONTACT 1487644

PSR-UNI-L-2X2NO-2DO-24DC-PI najdete v kategoriích Spínací a jistící přístroje, Relé, Rozvodnice, výkonové spínací a jistící prvky, Zařízení pro monitor bezpečnost. obvodů, výrobce Phoenix Contact, EAN 4063151932404, kód dodavatele 1487644. Bezpečnostní relé PSR-UNI-L-2X2NO-2DO-24DC-PI PHOENIX CONTACT 1487644 nabízíme od 1 ks. Kód EMAS PSR-UNI-L-2X2NO-2DO-24DC-PI je ELOSOS2020945.


Interní název produktu

PSR-UNI-L-2X2NO-2DO-24DC-PI


Podrobný popis produktu

PSR-UNI-L-2X2NO-2DO-24DC-PI

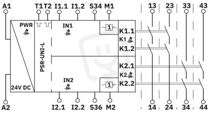
Bezpečnostní relé

Konfigurovatelné bezpečnostní relé, multifunkční, do SIL 3, kat. 4, PL e, 2 senzorové obvody, 1kanálový/2kanálový provoz, automatický/manuální, hlídaný start, 2 x 2 uvolňovací proudové větve, 2 signální výstupy, US = 24 V DC, zásuvná svornice push-in

V porovnávači máte 0 produktů.

Zobrazit porovnání Odebrat vše