Zavolejte nám
724 618 108
Napište nám
eshop@emas.cz
Obecné kontakty
Zobrazit
Sociální sítě
facebook instagram
Změna zobrazení produktů

Bezpečnostní relé PSR-SPP- 24DC/SDC4/2X1/B PHOENIX CONTACT 2981499

Dostupnost EMAS:
na objednávku
Zobrazit dostupnost na prodejnách
Původně:
6 901,82 Kč
Cena po registraci:
6 162,36 Kč/ks
Po registraci bez DPH:
5 092,86 Kč
Vaše cena s DPH:
6 418,71 Kč/ks
Vaše cena bez DPH:
5 304,72 Kč/ks
ks
Máte IČ? Získejte ještě výhodnější ceny!

Obecné parametry

Značka:
Phoenix Contact
Kód zboží:
ELOSOS0813075
Kód dodavatele:
2981499
EAN:
4046356051699
Standardní balení:
1 ks
Recyklační poplatek:
0,20 Kč

Technické parametry

Hloubka:
114,5 mm
Montáž na lištu:
ano
Provedení:
Základní zařízení
Šířka:
22,5 mm
Typ elektrického připojení:
pružinová svorka
Výška:
112 mm
Zpožděné uvolnění:
0,02-0,02 s

Bezpečnostní relé PSR-SPP- 24DC/SDC4/2X1/B PHOENIX CONTACT 2981499

PSR-SPP- 24DC/SDC4/2X1/B najdete v kategoriích Spínací a jistící přístroje, Relé, Rozvodnice, výkonové spínací a jistící prvky, Zařízení pro monitor bezpečnost. obvodů, výrobce Phoenix Contact, EAN 4046356051699, kód dodavatele 2981499. Bezpečnostní relé PSR-SPP- 24DC/SDC4/2X1/B PHOENIX CONTACT 2981499 nabízíme od 1 ks. Kód EMAS PSR-SPP- 24DC/SDC4/2X1/B je ELOSOS0813075.


Interní název produktu

PSR-SPP- 24DC/SDC4/2X1/B


Podrobný popis produktu

PSR-SPP- 24DC/SDC4/2X1/B

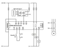
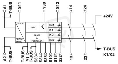
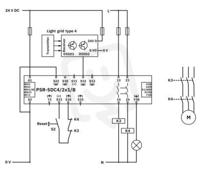
Bezpečnostní relé

Bezpečnostní relé spínače nouzového vypnutí, ochranných dveří a magnetického spínače a světelné mříže, do SIL 3 nebo kat. 4, PL e podle EN ISO 13849, 2 spínací kontakty, rozhraní TBUS, automatická nebo manuální aktivace, výměnná svorka Push-in

V porovnávači máte 0 produktů.

Zobrazit porovnání Odebrat vše