Zavolejte nám
724 618 108
Napište nám
eshop@emas.cz
Obecné kontakty
Zobrazit
Sociální sítě
facebook instagram
Změna zobrazení produktů

Vazební relé PSR-PC52-1NO-1NC-24DC-SC PHOENIX CONTACT 1017062

Dostupnost EMAS:
na objednávku
Zobrazit dostupnost na prodejnách
Původně:
9 967,69 Kč
Cena po registraci:
8 899,76 Kč/ks
Po registraci bez DPH:
7 355,17 Kč
Vaše cena s DPH:
9 269,97 Kč/ks
Vaše cena bez DPH:
7 661,13 Kč/ks
ks
Máte IČ? Získejte ještě výhodnější ceny!

Obecné parametry

Značka:
Phoenix Contact
Kód zboží:
ELOSOS1678195
Kód dodavatele:
1017062
EAN:
4055626499444
Standardní balení:
1 ks
Recyklační poplatek:
0,25 Kč

Technické parametry

Hloubka:
114,5 mm
Montáž na lištu:
ne
Provedení:
Základní zařízení
Šířka:
17,5 mm
Typ elektrického připojení:
šroubové připojení
Výška:
112,2 mm
Zpožděné uvolnění:
0,1-0,1 s

Vazební relé PSR-PC52-1NO-1NC-24DC-SC PHOENIX CONTACT 1017062

PSR-PC52-1NO-1NC-24DC-SC najdete v kategoriích Spínací a jistící přístroje, Relé, Rozvodnice, výkonové spínací a jistící prvky, Zařízení pro monitor bezpečnost. obvodů, výrobce Phoenix Contact, EAN 4055626499444, kód dodavatele 1017062. Vazební relé PSR-PC52-1NO-1NC-24DC-SC PHOENIX CONTACT 1017062 nabízíme od 1 ks. Kód EMAS PSR-PC52-1NO-1NC-24DC-SC je ELOSOS1678195.


Interní název produktu

PSR-PC52-1NO-1NC-24DC-SC


Podrobný popis produktu

PSR-PC52-1NO-1NC-24DC-SC

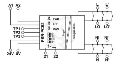
Vazební relé

Vazební relé pro galvanické oddělení a přizpůsobení výkonu pro aplikace úrovně integrity zabezpečení 3 F&G, low demand, diagnostika zátěže v režimu off a on state na přerušení obvodu a zkrat, 1 povolovací cesta proudu, filtr zkušebního impulzu, zásuvná šroubová svornice, šířka 17,5 mm

V porovnávači máte 0 produktů.

Zobrazit porovnání Odebrat vše