Zavolejte nám
724 618 108
Napište nám
eshop@emas.cz
Obecné kontakty
Zobrazit
Sociální sítě
facebook instagram
Změna zobrazení produktů

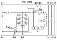
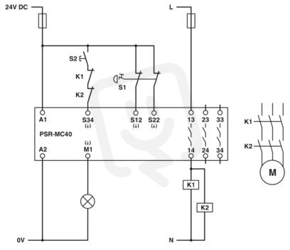
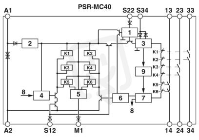
Bezpečnostní relé PSR-MC40-3NO-1DO-24DC-SP PHOENIX CONTACT 2700570

Dostupnost EMAS:
na objednávku
Zobrazit dostupnost na prodejnách
Původně:
6 724,28 Kč
Cena po registraci:
6 003,84 Kč/ks
Po registraci bez DPH:
4 961,85 Kč
Vaše cena s DPH:
6 253,59 Kč/ks
Vaše cena bez DPH:
5 168,26 Kč/ks
ks
Máte IČ? Získejte ještě výhodnější ceny!

Obecné parametry

Značka:
Phoenix Contact
Kód zboží:
ELOSOS1714005
Kód dodavatele:
2700570
EAN:
4046356912532
Standardní balení:
1 ks
Recyklační poplatek:
0,14 Kč

Technické parametry

Hloubka:
114,5 mm
Montáž na lištu:
ne
Provedení:
Základní zařízení
Šířka:
12,5 mm
Typ elektrického připojení:
pružinová svorka
Výška:
116,6 mm
Zpožděné uvolnění:
0,175-0,25 s

Bezpečnostní relé PSR-MC40-3NO-1DO-24DC-SP PHOENIX CONTACT 2700570

PSR-MC40-3NO-1DO-24DC-SP najdete v kategoriích Spínací a jistící přístroje, Relé, Rozvodnice, výkonové spínací a jistící prvky, Zařízení pro monitor bezpečnost. obvodů, výrobce Phoenix Contact, EAN 4046356912532, kód dodavatele 2700570. Bezpečnostní relé PSR-MC40-3NO-1DO-24DC-SP PHOENIX CONTACT 2700570 nabízíme od 1 ks. Kód EMAS PSR-MC40-3NO-1DO-24DC-SP je ELOSOS1714005.


Interní název produktu

PSR-MC40-3NO-1DO-24DC-SP


Podrobný popis produktu

PSR-MC40-3NO-1DO-24DC-SP

Bezpečnostní relé

Bezpečnostní relé pro nouzové zastavení, ochranné dveře a světelné mříže do SIL 3, kat. 4, PL e, 1- nebo 2kanálový provoz, automatické nebo ruční spouštění s dohledem, 3 povolovací cesty proudu, US = 24 V DC, zásuvná svorka Push-in

V porovnávači máte 0 produktů.

Zobrazit porovnání Odebrat vše