Zavolejte nám
724 618 108
Napište nám
eshop@emas.cz
Obecné kontakty
Zobrazit
Sociální sítě
facebook instagram
Změna zobrazení produktů

Bezpečnostní relé PSR-MC30-2NO-1DO-24DC-SC PHOENIX CONTACT 2700498

Dostupnost EMAS:
na objednávku
Zobrazit dostupnost na prodejnách
Původně:
6 257,09 Kč
Cena po registraci:
5 586,70 Kč/ks
Po registraci bez DPH:
4 617,11 Kč
Vaše cena s DPH:
5 819,11 Kč/ks
Vaše cena bez DPH:
4 809,18 Kč/ks
ks
Máte IČ? Získejte ještě výhodnější ceny!

Obecné parametry

Značka:
Phoenix Contact
Kód zboží:
ELOSOS0813076
Kód dodavatele:
2700498
EAN:
4046356912860
Standardní balení:
1 ks
Recyklační poplatek:
0,13 Kč

Technické parametry

Hloubka:
114,5 mm
Montáž na lištu:
ne
Provedení:
Základní zařízení
Šířka:
12,5 mm
Typ elektrického připojení:
šroubové připojení
Výška:
112,2 mm
Zpožděné uvolnění:
0,175-0,25 s

Bezpečnostní relé PSR-MC30-2NO-1DO-24DC-SC PHOENIX CONTACT 2700498

PSR-MC30-2NO-1DO-24DC-SC najdete v kategoriích Spínací a jistící přístroje, Relé, Rozvodnice, výkonové spínací a jistící prvky, Zařízení pro monitor bezpečnost. obvodů, výrobce Phoenix Contact, EAN 4046356912860, kód dodavatele 2700498. Bezpečnostní relé PSR-MC30-2NO-1DO-24DC-SC PHOENIX CONTACT 2700498 nabízíme od 1 ks. Kód EMAS PSR-MC30-2NO-1DO-24DC-SC je ELOSOS0813076.


Interní název produktu

PSR-MC30-2NO-1DO-24DC-SC


Podrobný popis produktu

PSR-MC30-2NO-1DO-24DC-SC

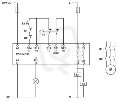
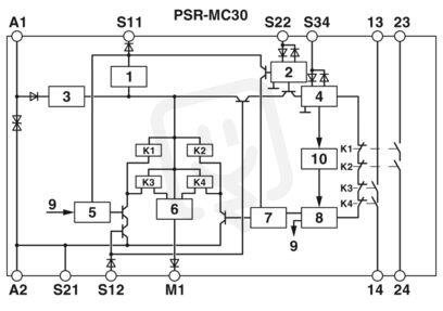
Bezpečnostní relé

Bezpečnostní relé pro nouzové zastavení a ochranné dveře do SIL 3, kat. 4, PL e, 1- nebo 2kanálový provoz, automatické nebo ruční spouštění s dohledem, detekce příčného sepnutí, 2 povolovací trasy, US = 24 V DC, zásuvná šroubová svornice

V porovnávači máte 0 produktů.

Zobrazit porovnání Odebrat vše