Zavolejte nám
724 618 108
Napište nám
eshop@emas.cz
Obecné kontakty
Zobrazit
Sociální sítě
facebook instagram
Změna zobrazení produktů

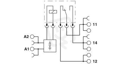
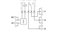
Patice pro relé PLC-BSC-230UC/21HC/SO46 PHOENIX CONTACT 2980445

Dostupnost EMAS:
na objednávku
Zobrazit dostupnost na prodejnách
Původně:
610,14 Kč
Cena po registraci:
544,78 Kč/ks
Po registraci bez DPH:
450,23 Kč
Vaše cena s DPH:
567,44 Kč/ks
Vaše cena bez DPH:
468,96 Kč/ks
ks

Zadávejte násobky 10 ks.

Máte IČ? Získejte ještě výhodnější ceny!

Obecné parametry

Značka:
Phoenix Contact
Kód zboží:
ELOSOS1718484
Kód dodavatele:
2980445
EAN:
4017918921248
Standardní balení:
10 ks
Recyklační poplatek:
0,06 Kč

Technické parametry

Hloubka:
94 mm
Šířka:
14 mm
Typ elektrického připojení:
jiné
Výška:
80 mm
Způsob montáže:
jiné

Patice pro relé PLC-BSC-230UC/21HC/SO46 PHOENIX CONTACT 2980445

PLC-BSC-230UC/21HC/SO46 najdete v kategoriích Spínací a jistící přístroje, Relé, Patice pro relé, Rozvodnice, výkonové spínací a jistící prvky, výrobce Phoenix Contact, EAN 4017918921248, kód dodavatele 2980445. Patice pro relé PLC-BSC-230UC/21HC/SO46 PHOENIX CONTACT 2980445 nabízíme od 10 ks. Kód EMAS PLC-BSC-230UC/21HC/SO46 je ELOSOS1718484.


Interní název produktu

PLC-BSC-230UC/21HC/SO46


Podrobný popis produktu

PLC-BSC-230UC/21HC/SO46

Patice pro relé

14 mm svornicová základna PLC proti rušivým proudům, resp. rušivým napětím na řídicí straně, se šroubovým připojením, neosazená relé nebo elektronickým relé, k montáži na nosnou lištu NS 35/7,5, pro vysoké trvalé proudy, 1 přepínač, vstupní napětí 230 V AC

V porovnávači máte 0 produktů.

Zobrazit porovnání Odebrat vše