Zavolejte nám
724 618 108
Napište nám
eshop@emas.cz
Obecné kontakty
Zobrazit
Sociální sítě
facebook instagram
Změna zobrazení produktů

Čelní adaptér FLKM 50-PA/SC/DIO/S7-1500 PHOENIX CONTACT 2907383

Dostupnost EMAS:
na objednávku
Zobrazit dostupnost na prodejnách
Původně:
2 508,22 Kč
Cena po registraci:
2 239,48 Kč/ks
Po registraci bez DPH:
1 850,81 Kč
Vaše cena s DPH:
2 332,65 Kč/ks
Vaše cena bez DPH:
1 927,81 Kč/ks
ks
Máte IČ? Získejte ještě výhodnější ceny!

Obecné parametry

Značka:
Phoenix Contact
Kód zboží:
ELOSOS1717218
Kód dodavatele:
2907383
EAN:
4055626256542
Standardní balení:
1 ks
Recyklační poplatek:
0,00 Kč

Technické parametry

Druh elektrického příslušenství:
adaptér
Náhradní díl:
ne
Příslušenství:
ano

Čelní adaptér FLKM 50-PA/SC/DIO/S7-1500 PHOENIX CONTACT 2907383

FLKM 50-PA/SC/DIO/S7-1500 najdete v kategoriích Programovatelné řízení PLC, Příslušenství, Rozvodnice, výkonové spínací a jistící prvky, výrobce Phoenix Contact, EAN 4055626256542, kód dodavatele 2907383. Čelní adaptér FLKM 50-PA/SC/DIO/S7-1500 PHOENIX CONTACT 2907383 nabízíme od 1 ks. Kód EMAS FLKM 50-PA/SC/DIO/S7-1500 je ELOSOS1717218.


Interní název produktu

FLKM 50-PA/SC/DIO/S7-1500


Podrobný popis produktu

FLKM 50-PA/SC/DIO/S7-1500

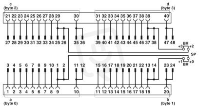
Čelní adaptér

Čelní adaptér VARIOFACE se šroubovým uzávěrem, pro digitální moduly 35 mm SIMATIC® S7-1500, připojitelných 1x 32 kanálů.

V porovnávači máte 0 produktů.

Zobrazit porovnání Odebrat vše