Zavolejte nám
724 618 108
Napište nám
eshop@emas.cz
Obecné kontakty
Zobrazit
Sociální sítě
facebook instagram
Změna zobrazení produktů

Hybridní spouštěč motoru ELR H3-IES-SC-230AC/500AC-9 PHOENIX CONTACT 2900570

Dostupnost EMAS:
na objednávku
Zobrazit dostupnost na prodejnách
Původně:
4 702,44 Kč
Cena po registraci:
4 198,64 Kč/ks
Po registraci bez DPH:
3 469,95 Kč
Vaše cena s DPH:
4 373,29 Kč/ks
Vaše cena bez DPH:
3 614,29 Kč/ks
ks
Máte IČ? Získejte ještě výhodnější ceny!

Obecné parametry

Značka:
Phoenix Contact
Kód zboží:
ELOSOS1716029
Kód dodavatele:
2900570
EAN:
4046356526166
Standardní balení:
1 ks
Recyklační poplatek:
0,29 Kč

Technické parametry

Druh motorového spouštěče:
přímý startér
Hloubka:
114 mm
Montáž na lištu:
ano
Počet ovládacích pozic:
1
Počet pom. rozpínacích kontaktů:
1
Počet pom. spínacích kontaktů:
1
Provozní proud Ie:
9 A
Provozní proud při AC-3, 400 V:
9 A
Řídící napáj. napětí AC 50Hz:
85-85 V
Řídící napáj. napětí AC 60HZ:
85-85 V
Rozsah nastavení přetížení:
1,5-9 A
Šířka:
22,5 mm
Stupeň krytí (IP):
IP20
Třída vydání:
TŘÍDA 10
Typ elektr. připoj. hlavního obvodu:
šroubové připojení
Typ ovládacího napětí:
AC
Vhodné pro nouz. vypnutí:
ano
Výška:
107 mm

Hybridní spouštěč motoru ELR H3-IES-SC-230AC/500AC-9 PHOENIX CONTACT 2900570

ELR H3-IES-SC-230AC/500AC-9 najdete v kategoriích Spínací a jistící přístroje, Motorový spouštěč, Rozvodnice, výkonové spínací a jistící prvky, výrobce Phoenix Contact, EAN 4046356526166, kód dodavatele 2900570. Hybridní spouštěč motoru ELR H3-IES-SC-230AC/500AC-9 PHOENIX CONTACT 2900570 nabízíme od 1 ks. Kód EMAS ELR H3-IES-SC-230AC/500AC-9 je ELOSOS1716029.


Interní název produktu

ELR H3-IES-SC-230AC/500AC-9


Podrobný popis produktu

ELR H3-IES-SC-230AC/500AC-9

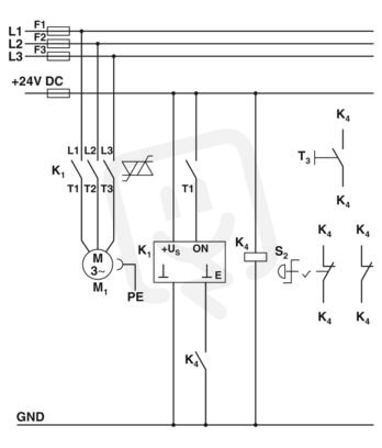
Hybridní spouštěč motoru

Hybridní spouštěč motoru; funkce: Startování motoru, Ochrana motoru (třída 10A), Nouzové zastavení, ATEX; vstup: 230 V AC; výstup: 3~, 500 V AC, 9 A; Šroubové připojení

V porovnávači máte 0 produktů.

Zobrazit porovnání Odebrat vše