Zavolejte nám
724 618 108
Napište nám
eshop@emas.cz
Obecné kontakty
Zobrazit
Sociální sítě
facebook instagram
Změna zobrazení produktů

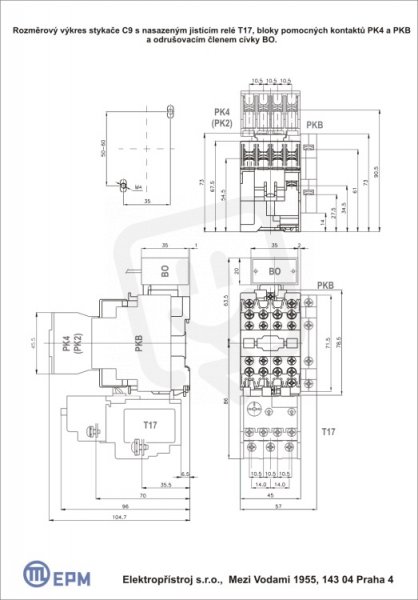
C17.01 ,42 V,50 Hz,AC

Dostupnost EMAS:
na objednávku
Zobrazit dostupnost na prodejnách
Původně:
1 145,17 Kč
Cena po registraci:
1 022,55 Kč/ks
Po registraci bez DPH:
845,08 Kč
Vaše cena s DPH:
1 065,05 Kč/ks
Vaše cena bez DPH:
880,21 Kč/ks
ks
Máte IČ? Získejte ještě výhodnější ceny!

Obecné parametry

Značka:
Elektropřístroj
Kód zboží:
ELPRST0188271
Kód dodavatele:
111160811020
EAN:
8590206136112
Standardní balení:
1 ks
Recyklační poplatek:
0,60 Kč
Produktová řada:
C17

Technické parametry

Modulární typ:
ne

C17.01 ,42 V,50 Hz,AC

C17.01 ,42 V,50 Hz,AC najdete v kategoriích Spínací a jistící přístroje, Stykače, Výkonový stykač AC, Rozvodnice, výkonové spínací a jistící prvky, výrobce Elektropřístroj, EAN 8590206136112, kód dodavatele 111160811020. C17.01 ,42 V,50 Hz,AC nabízíme od 1 ks. Kód EMAS C17.01 ,42 V,50 Hz,AC je ELPRST0188271.


Interní název produktu

C17.01 ,42 V,50 Hz,AC

V porovnávači máte 0 produktů.

Zobrazit porovnání Odebrat vše